Ercouper's latest activity

  • Ercouper
    Ercouper reacted to atomsplitter's post in the thread Battery & Headlights with Like Like.
    Not in Texas at least. They don't mind zapping me for registration fees at all.
  • Ercouper
    Ercouper replied to the thread Battery & Headlights.
    You are correct, of course.....and I very much appreciate your info & recommendation. :) By the way, isn't there a law against owning...
  • Ercouper
    Ercouper replied to the thread Battery & Headlights.
    Thanks. I will consider this as a possible future upgrade. Right now $400 isn't in my budget. I may have to wait till I sell one of...
  • Ercouper
    Ercouper replied to the thread Transmission questions.
    I removed the plugs when I righted the engine to check and adjust valve clearances and then re-installed them before installing the...
  • Ercouper
    Ercouper reacted to atomsplitter's post in the thread Battery & Headlights with Like Like.
    On the pre 2010 models the ignition barrel carried the headlight 55W draw and this load proved too much for the solder joints in the...
  • Ercouper
    Ercouper replied to the thread Battery & Headlights.
    First, let me say that I was wrong in my assumption that my Rockets didn't have the headlight cutoff feature because of the starter...
    • HdLt_Control.jpg
  • Ercouper
    Ercouper reacted to TURBO200R4's post in the thread Battery & Headlights with Like Like.
    it has been a long time since i heard of someone buying an eastern beaver i can help if you want to do relays
  • Ercouper
    Ercouper replied to the thread Battery & Headlights.
    I looked up the eastern beaver mod, but @ $100, I think I will research other options.....being the cheap & po guy that I am. Yes, I...
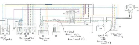
    • headlight_ckt.jpg
  • Ercouper
    Ercouper reacted to TURBO200R4's post in the thread Battery & Headlights with Like Like.
    The way they work normal is on a 5 terminal so the lights will go out when the starter relay is energised. a lot of the early rocket...
  • Ercouper
    Ercouper replied to the thread Battery & Headlights.
    I don't believe my '05 & '07 have a system as you described, but will check a little closer. I have also never heard of the eastern...
  • Ercouper
    I have two Rockets and I have noticed that the batteries (both new) seem a little on the small size and don't seem to spin the engines...
  • Ercouper
    Ercouper replied to the thread Transmission questions.
    I took my first ride today since the rebuild and it runs and shifts great. I really think that the stouter detent spring is more...
  • Ercouper
    Ercouper replied to the thread Transmission questions.
    I got her back together and she fired up and sounds good. I haven't ventured out yet to see how the transmission shifts due to recent...
  • Ercouper
    Ercouper replied to the thread Transmission questions.
    Yes, new set of bolts.
  • Ercouper
    Ercouper replied to the thread Transmission questions.
    The head gasket was in today's mail, so tomorrow I should have her back together. Wish me luck..... ;)
Back
Top